शीर्ष 997 डीसी मोटर समीक्षाएँ और उच्च गति मोटर अनुभव – घर सुधार के लिए भरोसेमंद विकल्प * समीक्षाएँ और टिप्पणियाँ
इस लेख में जानिए विस्तृत 997 डीसी मोटर समीक्षाएँ, मेरी AliExpress से 997 डीसी मोटर खरीदने का अनुभव और कैसे ये शक्तिशाली हाई-स्पीड मोटरें घर के प्रोजेक्ट्स को आसान बनाती हैं।
घर के प्रोजेक्ट्स के लिए मेरा अनुभव: शीर्ष 997 डीसी मोटर समीक्षाएँ जो सच में काम करती हैं
मैं 43 साल का हूँ, पेशे से इलेक्ट्रॉनिक्स रिपेयर टेक्नीशियन और सप्ताहांत में “DIY गीक।” पिछले साल जब मैंने अपने गैरेज में छोटा लकड़ी-काटने वाला सेटअप बनाया, तो मुझे एहसास हुआ कि मेरी पुरानी मोटरें अब दम तोड़ चुकी हैं। तब मैंने AliExpress पर “997 डीसी मोटर” टाइप किया — और सामने आए दर्जनों विकल्प। बहुतों ने लिखा था “हाई टॉर्क”, “साइलेंट ऑपरेशन”, “मजबूत डिजाइन।” तो मैंने सोचा, चलो देखते हैं असलियत क्या है। छह सबसे ज्यादा बिकने वाली मोटरों को चुना, खरीदा, टेस्ट किया, और अब आपके साथ अपना ईमानदार अनुभव साझा कर रहा हूँ — ताकि अगर आप 997 डीसी मोटर खरीदें, तो सही फैसला लें।
![]() |
![]() |
![]() |
![]() |
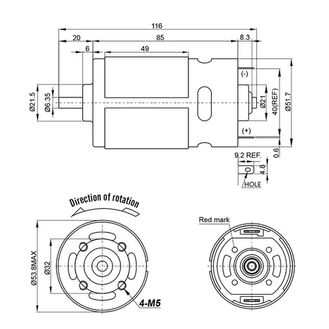
1. 997 Powerful DC Motor 12–36V: जब ताकत और शांति एक साथ मिलें
पहली चीज़ जिसने मुझे आकर्षित किया, वह थी इस मोटर का 36V इनपुट और “साइलेंट बॉल बेयरिंग” डिज़ाइन। मैंने इसे अपने मिनी ड्रिल सेटअप में लगाया। पहली बार पावर देने पर आवाज़ इतनी कम थी कि लगा कुछ गलती से बंद है — लेकिन RPM मीटर पर 9500 दिखा! टॉर्क बेहतरीन, लगातार चलने पर भी ज्यादा गर्म नहीं होती।
फायदे: – मूक ऑपरेशन (सच में “silent”) – भारी लोड पर भी स्मूद रनिंग – सस्ती लेकिन प्रीमियम अहसास
नुकसान: – माउंटिंग के लिए स्क्रू थोड़े छोटे आए – वायरिंग टर्मिनल थोड़ा ढीला था
कीमत की बात करें तो, मैंने करीब $12 में ली थी — जबकि यही रेंज की मोटरें लोकल मार्केट में $18–20 की मिलती हैं। कुल मिलाकर, यह 997 डीसी मोटर मेरी वर्कबेंच की जान बन गई।
23,79 $![]() |
![]() |
![]() |
![]() |
2. 997 डीसी हाई स्पीड मोटर 12V/24V: गति की रेस में आगे
यह मोटर मैंने खास तौर पर अपने RC कार मॉडल के लिए ली थी (थोड़ा ओवरकिल था, मानता हूँ)। लेकिन मज़े की बात — इसने छोटे मॉडल को मिसाइल बना दिया! RPM 10,000+ और बेहद स्मूद एक्सेलेरेशन।
फायदे: – शानदार स्पीड और रिस्पॉन्स – गर्म नहीं होती जल्दी – शोर बहुत कम
नुकसान: – लगातार उपयोग पर बॉल बेयरिंग थोड़ा ढीला महसूस हुआ – स्पीड कंट्रोलर के साथ सिंक में रखने के लिए ट्यूनिंग करनी पड़ी
अगर आप 997 डीसी मोटर खरीदें और स्पीड आपका लक्ष्य है — तो यह सही चुनाव है।
16,57 $![]() |
![]() |
![]() |
![]() |
3. 997 मजबूत डीसी मोटर 280W: असली टॉर्क मॉन्स्टर
अब बात उस मोटर की, जिसने मुझे “वाह” कहने पर मजबूर किया। यह मोटर मैंने अपने छोटे कटिंग टूल्स और ग्राइंडर के लिए ली थी। 280W पावर आउटपुट और हाई-स्पीड रेगुलेशन के साथ, इसने सस्ती मोटरों की परिभाषा बदल दी।
फायदे: – भारी टॉर्क (लकड़ी और प्लास्टिक कटिंग के लिए शानदार) – लगातार 2 घंटे रन पर भी तापमान कंट्रोल में – फिनिश और पैकिंग दोनों शानदार
नुकसान: – मोटर थोड़ी भारी है (DIY टूल्स के लिए संतुलन मायने रखता है)
AliExpress पर डिलीवरी तेज थी — सिर्फ 11 दिनों में पहुंच गई। कुल मिलाकर, शीर्ष 997 डीसी मोटर उत्पादों में से यह मेरी निजी फेवरेट रही।
17,22 $![]() |
![]() |
![]() |
![]() |
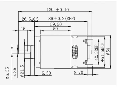
4. 45mm 997 ग्रहीय गियर डीसी मोटर: टॉर्क का सुल्तान
कभी-कभी, प्रोजेक्ट में केवल स्पीड नहीं, बल्कि नियंत्रण चाहिए। इसलिए मैंने इस गियर मोटर को अपने छोटे पॉलिशिंग रोबोट में लगाया। इसके 17–3250rpm स्पीड रेंज ने मुझे पूरी लचीलापन दी।
फायदे: – गियर अनुपात शानदार – टॉर्क लगभग 210kg.cm तक — वाकई पावरहाउस – धातु बॉडी मजबूत और टिकाऊ
नुकसान: – शुरुआती कुछ मिनटों में हल्का शोर – वज़न ज़्यादा (लगभग 450 ग्राम)
अगर आप किसी सटीक कंट्रोल वाले प्रोजेक्ट के लिए 997 डीसी मोटर खरीदें, तो यह वर्ज़न सबसे भरोसेमंद है।
61,77 $![]() |
![]() |
![]() |
![]() |
5. 997 200W डीसी मोटर 12–36V: संतुलन का बेहतरीन उदाहरण
यह मोटर मैंने अपने टेबल ड्रिल प्रेस के लिए चुनी। न बहुत भारी, न बहुत हल्की — और रनिंग बेहद स्मूद। लगभग 200W की आउटपुट के साथ यह छोटे मेटल और पीवीसी शीट्स तक आसानी से हैंडल कर लेती है।
फायदे: – अच्छी हीट डिसिपेशन – टॉर्क और स्पीड का संतुलन – लगातार 3 घंटे रन करने पर भी प्रदर्शन स्थिर
नुकसान: – थोड़ी कंपन महसूस हुई 24V पर – वायर कनेक्शन ढकने वाला केस बेहतर हो सकता था
सच कहूँ तो, मैंने इसे दो बार खरीदा — एक अपने दोस्त के लिए भी। कीमत के हिसाब से बेस्ट वैल्यू वाली 997 डीसी मोटर यही निकली।
15,54 $![]() |
![]() |
![]() |
![]() |
6. DRS997 डीसी मोटर 6000–12000rpm: जब ताकत हो “बुद्ध मोड” में
नाम थोड़ा मज़ाकिया है (“बुद्ध मनका मोटर”) लेकिन प्रदर्शन? एकदम जबरदस्त। मैंने इसे अपने मिनी लेथ प्रोजेक्ट में टेस्ट किया। आरपीएम 12000 तक पहुँचने के बाद भी आवाज़ बहुत कम रही।
फायदे: – ड्युअल बॉल बेयरिंग से वाइब्रेशन न के बराबर – स्मूद स्पीड कंट्रोल – शानदार बिल्ड क्वालिटी
नुकसान: – लगातार उपयोग पर हीट थोड़ा बढ़ता है – केबल्स थोड़े छोटे आए
अगर आप प्रोफेशनल वर्कशॉप या DIY कटिंग सेटअप चला रहे हैं, तो यह मोटर वाकई “हिंसक” प्रदर्शन देती है (अच्छे अर्थों में)।
31,52 $मेरे अनुभव से सीख: शीर्ष 997 डीसी मोटर उत्पाद AliExpress पर खरीदें, लेकिन समझदारी से
छह मोटरों में से, तीन ने मेरी उम्मीदों से ज़्यादा अच्छा प्रदर्शन किया — खासकर 280W और 45mm गियर वर्ज़न। शिपिंग औसतन 10–15 दिन में हुई और किसी में डैमेज नहीं था। अगर आप भी 997 डीसी मोटर buy करना चाहते हैं, तो एक सलाह — पहले अपने उपयोग का स्पष्ट उद्देश्य तय करें। कुछ मॉडल हाई स्पीड के लिए हैं, कुछ भारी टॉर्क के लिए।
ईमानदारी से कहूं तो, AliExpress पर इतने सस्ते दामों में इतनी क्वालिटी की मोटरें मिलना सुखद आश्चर्य था। मैं निश्चित रूप से इन्हें दोबारा खरीदूंगा — शायद अगली बार अपने भाई के मिनी CNC प्रोजेक्ट के लिए।
(तो दोस्तों, बात यह है: 997 डीसी मोटर सिर्फ एक सस्ती चॉइस नहीं, बल्कि हर गंभीर DIY-प्रेमी के लिए सही निवेश है।)
टैग
997 डीसी मोटर, हाई स्पीड मोटर, AliExpress मोटर समीक्षा, घर सुधार उपकरण, DC motor review, टॉर्क मोटर, DIY प्रोजेक्ट्स
समान समीक्षाएँ
शॉवर हेयर कैचर समीक्षा: घर की नालियों की छिपी दुनिया का सच購買評論 फ़िल्टर के साथ शावर हेड - TOP 概覽 10 AliExpress上的銷售
कैबिनेट हैंडल समीक्षाएँ और शीर्ष AliExpress हैंडल अनुभव
購買評論 पीसी स्क्रू किट - TOP 概覽 10 AliExpress上的銷售
कोने की शेल्फ बाथरूम अनुभव: 10 शीर्ष उत्पादों की ईमानदार समीक्षा
購買評論 सेंसर नल - TOP 概覽 10 AliExpress上的銷售
購買評論 गाजर का साबुन - TOP 概覽 8 AliExpress上的銷售























